
Серия 03/95
С системой PRK для ПЭ труб
По DIN 3352 часть 4
Для воды и нейтральных жидкостей с температурой до +70°С
Максимальная температура для ПЭ труб +20°С
Гидравлическое испытание по DIN 3230 часть 4:
Проверка рабочего крутящего момента
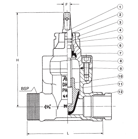
| 1. Шток |
| 2. Кольцо грязесъёмное из NBR |
| 3. Кольцо круглого сечения из NBR |
| 4. Подшипник |
| 5. Крышка корпуса |
| 6. Упорное кольцо |
| 7. Манжета из резины EPDM |
| 8. Болт крышки корпуса |
| 9. Прокладка крышки корпуса |
| 10. Клиновой затвор |
| 11. Корпус |
| 12. Соединитель PRK |

| Корпус и крышка | ковкий чугун, GGG-40 по DIN 1691 (марка 420-12 мин. по BS 2789) |
| Покрытие | внутри и снаружи порошковое эпоксидное по DIN 30677-2 и GSK, нанесённое электростатическим способом |
| Шток | Нержавеющая сталь, DIN x 20 Cr 13 |
| Уплотнение штока | Грязесъемное кольцо из NBR, внутри 2 кольца круглого сечения из NBR и 2 кольца снаружи подшипника, манжета из EPDM |
| Клиновой затвор | латунь CZ 132 по BS 2874, устойчивая к обесцинкиванию, вулканизированная резиной EPDM |
| Упорное кольцо | Устойчивая к обесцинкиванию латунь CZ 132 по BS 2872 |
| Болты крышки | Нержавеющая сталь А2, пломбированы термоклеем |
| Прокладка крышки | Резина EPDM |
| Соединитель PRK | ацеталь |
| Артикул | DN | BSP | Наружн. Ø ПЭ труб, мм |
L, мм | H, мм | F, мм | Вес, кг |
| 03-032-95 | 20 | 1" | 32 | 145 | 180 | 13 | 2,9 |
| 03-040-95 | 25 | 1 1/4" | 40 | 151 | 190 | 13 | 3,2 |