
Серия 01/70
С устойчивой к силам натяжения муфтой Supa Plus™
для ПЭ труб и для труб из твердого ПХВ.Согласно DIN 3352, часть 4
Для ПЭ 100 труб – PN 6.3, PN 10 и PN 16, для ПЭ 80 труб – PN 6.3, PN 10 по DIN 8074
Для труб Sigma 100– PN 6 и PN 10, для Sigma 125– PN 7.5 и PN 10
Все материалы утверждены WRC.
Резину EPDM с утверждением DVGW-W270 можно получить по запросу.
Для воды и нейтральных жидкостей с температурой до +70°С
Макс. температура – такая же как в трубе, но не выше 70°С;
Общий изгиб 2 х ± 3,5°
Если используется устойчивый к натяжению уплотнительное кольцо – на ПЭ трубах следует всегда применять опорную втулку AVK.
Гидравлическое, по DIN 3230 часть 4:
Проверка рабочего крутящего момента
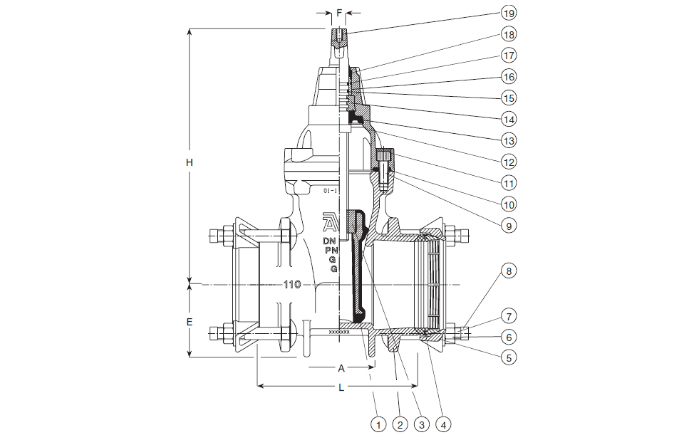
| 1. Клин |
6. Гайка | 11. Колпачок винта | 16. Подшипник скольжен |
| 2. Корпус | 7. Болт с квадратной шейкой | 12. Крышка задвижки | 17. Кольцо круглого сечения |
| 3. Гайка клина | 8. Колпачок | 13. Уплотнение вала | 18. Грязесъемное кольцо |
| 4. Устойч. к натяж. уплот. кольцо |
9. Болт крышки | 14. Упорное кольцо | 19. Шток |
| 5. Кронтштейн | 10. Прокладка крышки | 15. Кольцо круглого сечения |
| Корпус и крышка | Ковкий чугун GGG-40 по DIN 1693 EN-GJS-400: EN 1563: 1998 |
| Покрытие | Внутри и снаружи порошковое эпоксидное по DIN 30677, нанесённое электростатическим способом |
| Шток | Нержавеющая сталь, DIN x 20 Cr 13 |
| Уплотнение штока | Грязесъёмное кольцо из NBR, внутри 2 кольца круглого сечения из NBR и 2 кольца снаружи подшипника, манжета из EPDM |
| Клиновый затвор | Ковкий чугун, с сердечником полностью вулканизированным резиной EPDM, где интегрированная гайка клина – из устойчивой к обесцинкиванию латуни CW602N по EN 12167 (CZ 132 по BS 2874) |
| Упорное кольцо | Устойчивая к обесцинкиванию латунь CZ 132 по BS 2872 |
| Болты крышки | Нержавеющая сталь А2, пломбированы термоклеем |
| Прокладка крышки | Резина EPDM |
| Устойчивое к натяжению уплотнительное кольцо | Пушечная бронза DIN 17005 RG5 / резина EPDM |
| Гайка | Нержавеющая сталь А2 (AISI 316) класс 80 с покрытием PTFE |
| Болт с квадратной шейкой и шайба | Нержавеющая сталь А2, класс 80 |
| Колпачок | Пластмасса |
| Артикул | DN | Наружн. Ø трубы, мм | A, мм | E, мм | H, мм | L, мм | F, мм | Кол-во болтов | Вес, кг |
| 01-050-70016 | 40 | 50 | 64 | 44 | 236 | 182 | 14 | 2 x 2 M16 | 7 |
| 01-063-70016 | 50 | 63 | 68 | 52 | 241 | 182 | 14 | 2 x 2 M16 | 8 |
| 01-075-70016 | 65 | 75 | 70 | 58 | 271 | 182 | 17 | 2 x 2 M16 | 9 |
| 01-090-70016 | 80 | 90 | 78 | 68 | 297 | 200 | 17 | 2 x 2 M16 | 14 |
| 01-110-70016 | 100 | 110 | 90 | 94 | 334 | 208 | 19 | 4 x 2 M16 | 24 |
| 01-125-70016 | 125 | 125 | 91 | 102 | 375 | 208 | 19 | 4 x 2 M16 | 28 |
| 01-140-70016 | 125 | 140 | 95 | 107 | 375 | 220 | 19 | 4 x 2 M16 | 35 |
| 01-160-70016 | 150 | 160 | 124 | 118 | 448 | 260 | 19 | 4 x 2 M16 | 40 |
| 01-180-70016 | 150 | 180 | 124 | 128 | 448 | 260 | 19 | 4 x 2 M16 | 55 |
| 01-200-70016 | 200 | 200 | 124 | 158 | 562 | 309 | 24 | 6 x 2 M16 | 65 |
| 01-225-70016 | 200 | 225 | 133 | 172 | 562 | 309 | 24 | 6 x 2 M16 | 74 |
| 01-250-70016 | 250 | 250 | 143 | 174 | 664 | 339 | 27 | 6 x 2 M16 | 98 |
| 01-280-70016 | 250 | 280 | 155 | 184 | 664 | 339 | 27 | 6 x 2 M16 | 105 |
| 01-315-70016 | 300 | 315 | 184 | 208 | 740 | 380 | 27 | 6 x 2 M16 | 166 |