
Серия 46/78
Задвижка клиновая с упругим запиранием для присоединения встык к газопроводу
По стандартам EN13774 с фланцем ISO для установки привода
Стальные сварные патрубки по стандарту DIN 2470, часть 2. Длинная строительная длина.
Для газа до +60°С
Гидравлическое испытание в соответствии с EN 3230-5, PG3
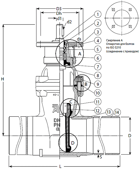
| 1. Шпиндель | 9. Болт крышки |
| 2 . Грязесъемное кольцо из NBR | 10. Прокладка крышки |
| 3. Фланец ISO | 11. Клиновая гайка |
| 4. Кольцо круглого сечения | 12. Клин |
| 5. Гайка штокового уплотнения | 13. Корпус |
| 6. Упорное кольцо | 14. Сварной конец |
| 7. Манжета из резины NBR | 15. Фланцевый переходник |
| 8. Крышка |
A. Уплотнение шпинделя задвижки
Три независимых уплотнения обеспечивают тройную защиту:
• грязесъемное кольцо из NBR защищает от проникновения грязи снаружи
• 4 шт. кольца круглогосечения из NBR с гайкой, заменяемой под да влен ием
обеспечивают герметичность и низкое трение
• манжетное уплотнение из резины служит в качестве основного уплотнения среды и предотвращает протечи при замене гайки штокового уплотнения под давлением.
B. Соединение крышка / корпус
Уникальное соединение корпуса и крышки обеспечивает надежную
герметичность
• круглая резиновая прокладка крышки лежит в канавке, этим предотвращая ее выдувание при скачках давления
• болты крышки из нержавеющей стали утоплены в прокладке крышки и уплотнены термоклеем, что изолирует болты от контакта со средой и землей во избежание ржавления.
C. Гайка клина
Гайка клина встроена и зафиксирована - чтобы сократить количество подвижных частей задвижки и тем самым ограничить риск ржавения поверхностей и неполадок. Она сделана из устойчивой к обесцинкиванию латуни со смазывающими способностями для оптимальной совместимости со шпинделем из нержавеющей стали.
D. Вулканизированный клин
Сердечник клина из шарографитного чугуна – снаружи и внутри вулканизирован резиной NBR. Металлические части не имеют контакта со средой, и высококачестевнная вулканизация предотвращает коррозию под слоем резины. Направляющие пазы клина обеспечивают равномерное и герметичное закрытие независимо от высокого давления. Надежная работа задвижки обеспечена, т.к. направляющие предотвращают перегрузку шпинделя.

| DS: | DN 40-200: | 11.5 мм |
| >DN 250: | 18 мм | |
| D3: | DN 50: | 125 мм |
| DN 80-100: | 140 мм | |
| DN 150-200: | 165 мм | |
| DN 250-300: | 205 мм | |
| DN 400: | 220 мм | |
| Dh: | DN 50: | 102 мм |
| DN 80-100: | 115 мм | |
| DN 150-200: | 145 мм | |
| DN 250-300: | 174 мм | |
| DN 400: | 195 мм |
| Корпус | Литая сталь GS-C25N |
| Крышка | Шарографитный чугун GJS-500-7(GGG-50) |
| Покрытие | Внутри и снаружи порошковое эпоксидное по DIN 30677-2 и в соответствии с требованиями GSK. Наружная поверхность покрыта полиуретаном (ПУР) по стандарту DIN 30677-2 |
| Фланец ISO | Сталь St. 52.3 |
| Клин | Шарографитный чугун. Вместе с зафиксированной медной гайкой полностью вулканизированы резиной NBR. |
| Шпиндель (с накатной резьбой и упорным кольцом для клина) | Нержавеющая сталь с содержанием хрома не менее 13% |
| Сменное уплотнение шпинделя | Манжета из NBR, 4 кольца круглого сечения, устойчивая к обесцинкиванию латунная гайка штокового уплотнения, грязесъёмное кольцо из NBR. |
| Болты крышки с потайными головками | Нержавеющая сталь; обрамлены прокладками и запломбированы термоклеем |
| Прокладка между крышкой и корпусом | Резина NBR |
Артикул |
DN | D, мм | S, мм | L, мм | H, мм | d1, мм | d2, мм | Кол-во оборотов до полного открывания |
Момент кручения, Нм | Вес, кг |
| 46-050-7801380 | 50 | 60 | 3 | 570 | 241 | 20 | 6 | 11 | 40 | 14 |
| 46-080-7801380 | 80 | 89 | 3 | 550 | 297 | 20 | 6 | 17 | 60 | 17 |
| 46-100-7801380 | 100 | 114 | 4 | 520 | 334 | 20 | 6 | 21 | 80 | 23 |
| 46-150-7801380 | 150 | 168 | 5 | 530 | 448 | 20 | 6 | 26 | 80 | 39 |
| 46-200-7801380 | 200 | 219 | 6 | 570 | 562 | 20 | 6 | 35 | 120 | 63 |
| 46-250-7801380 | 250 | 273 | 6 | 590 | 664 | 30 | 8 | 37 | 180 | 88 |
| 46-300-7801380 | 300 | 324 | 7 | 620 | 740 | 30 | 8 | 44 | 300 | 128 |
| 46-400-7801380 | 400 | 426 | 8 | 670 | 1179 | 30 | 8 | 59 | 300 | 242 |
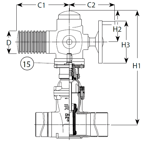
| DN | Тип привода AUMA |
Скорость закрывания об/мин | Мощность кВт на ед. давления | Длительность откр/закр в секундах |
C1, мм | C2, мм | D, мм | H1, мм | H2, мм | H3, мм | Момент прив. (Нм) при откр. | Ном. ток, А вкл. привод |
Вес, кг |
| 50 | SAEX 07.6 | 45 | 0,20 | 15 | 265 | 249 | 105 | 501 | 210 | 160 | 40 | 1,6 | 38 |
| 80 | SAEX 07.6 | 45 | 0,20 | 23 | 265 | 249 | 105 | 549 | 210 | 160 | 60 | 1,6 | 41 |
| 100 | SAEX 10.2 | 45 | 0,40 | 28 | 282 | 254 | 125 | 584 | 210 | 200 | 80 | 2,5 | 50 |
| 150 | SAEX 10.2 | 45 | 0,40 | 35 | 282 | 254 | 125 | 696 | 210 | 200 | 80 | 2,5 | 66 |
| 200 | SAEX 10.2 | 45 | 0,40 | 47 | 282 | 254 | 125 | 803 | 210 | 200 | 120 | 2,5 | 90 |
| 250 | SAEX 14.2 | 22 | 0,75 | 101 | 385 | 336 | 153 | 925 | 226 | 315 | 180 | 2,5 | 138 |
| 300 | SAEX 14.2 | 22 | 0,75 | 120 | 385 | 336 | 153 | 1000 | 226 | 315 | 200 | 2,5 | 181 |
| 400 | SAEX 14.6 | 22 | 1,60 | 161 | 385 | 336 | 153 | 1276 | 226 | 400 | 300 | 5,3 | 295 |
